Menu

Search for more information
Male Street Tees
Forged Stainless Steel Pipe Fittings Male x Female x Female Tees Male Run Tee NPT Male Street Tees
Contact Us Now
Hotline:
+86 18721872815
product description

Features:

  • Available materials:SS304,SS316,904L,Alloy,etc.

  • Available in size:1/8" to 1" 

  • Thread:NPT,BSP,BSPT,UNF,ISO,SAE etc.

  • Working temperature:-4 to 392℉(-20 to 200℃)

  • Working pressure:up to 3000psig(206bar)

  • Smooth thread flanks provide optimum sealing and minimize galling.

27.jpg

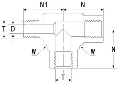
NPT

size

in.

T

Ordering

Number

Dimensions in.(mm)
NN1DW
1/8

KMT-2

0.84(21)

0.88(22)

0.20(4.8)

0.69(17.4)

1/4

KMT-4

0.95(24)

1.03(26)

0.29(7.1)

0.83(20.8)

3/8

KMT-6

1.11(28)

1.27(32)

0.39(9.6)

0.95(23.8)

1/2

KMT-8

1.19(30)

1.47(37)

0.48(11.9)

1.07(27.0)

3/4

KMT-12

1.47(37)

1.82(46)

0.63(15.8)

1.31(33.0)

1KMT-161.56(39)1.90(48)0.89(22.4)1.51(38.0)


Advantage
  • Precision-Engineered
    Expertly crafted for superior leak-proof performance and extended service life.
  • High-Pressure Rated
    Robust construction guarantees reliable operation in high-pressure environments.
  • Corrosion Resistant
    Manufactured from premium stainless steel to withstand corrosive media.
  • Fully Interchangeable
    Standard dimensions ensure seamless replacement with major international brands.
  • Rigorously Tested
    Every product is stringently inspected under our ISO9001 quality system.
  • Versatile Applications
    Suitable for a wide range of industries, from semiconductors to biopharma.
  • Premium Materials
    High-grade stainless steel core components ensure integrity from the start.
  • Globally Proven
    Trusted by customers worldwide for proven performance and reliability.